
鹏佑无油静音空压机PY2V-D50
追求静音、无油、节能,利于企业工厂环境保护,鹏佑多年2V-D50无油空压机研发,把洁净的压缩空气组件,调效至上限满意值,赋予空压机以生命,造就了鹏佑无油空压机,科技与质量并存的特性。

1.世界先进瑞士阀片材料阀片,结合公司独特外观性能设计,节省能源,延长使用寿命
2.独特的加厚散热经,可实现快速散热,降温,降噪。
3.新一代设计,直线型活塞结构结合开口式活塞环,具有磨损自适应功能,可实现超长免维护(8000-1万小时更换活塞环)超高效率。
4.最新一代纳米离子工艺涂层,耐磨时长可达5万小时
5.厚实的箱体,秉承坚固耐用,变形量较少,可延长使用寿命
设计性能特点
1.主机选用高质量材料,全铜线绕组,压力可达1.2Mpa
2.双缸平衡压缩,振动小,噪音低,主机受力平衡
3.选用日本NSK轴承或(同类轴承)高压力和PEEP高抗磨密封材料
4.机头里面具有制止灰尘结构;
5.采用铝气缸,表面进行离子喷涂处理,表面强度高,光滑,抗磨;
6.采用NSK抗高温轴承,使用年限长,1万小时内不需要换配件;
7.缸盖和气缸采用导风结构,采用单独的轴流风扇,使气缸和缸盖得到强风的冷却,确保气缸温度在90度以内。使活塞环的寿命增加;
8.分体连杆设计,不需要拆曲轴便拆卸和维修连杆活塞组件;
9.采用橡胶脚垫进行减震,增加产品寿命和减震的功能;
10.采用双层固定减震达到标准

产品参数
| 类别: | 泵头 |
| 型号: | D50-2V |
| 额定电压 (V/HZ) | 220V/380V 50/60HZ |
| 额定功率 | 1.1KW |
| 公称流量 | 200L/min 0bar 150L/min 5bar 100L/min 10bar |
| 额定工作压力 | 10bar |
| MAX瞬间压力 | 11bar |
| 重启压力 | 0mpa(380V可待压启动) |
| 噪音 | 65db |
| 震动烈度 | 18MM/S |
| 使用环境温度 | -40X60℃ |
| 绝缘等级 | F |
| 绝缘电阻 | ≥ 500MΩ |
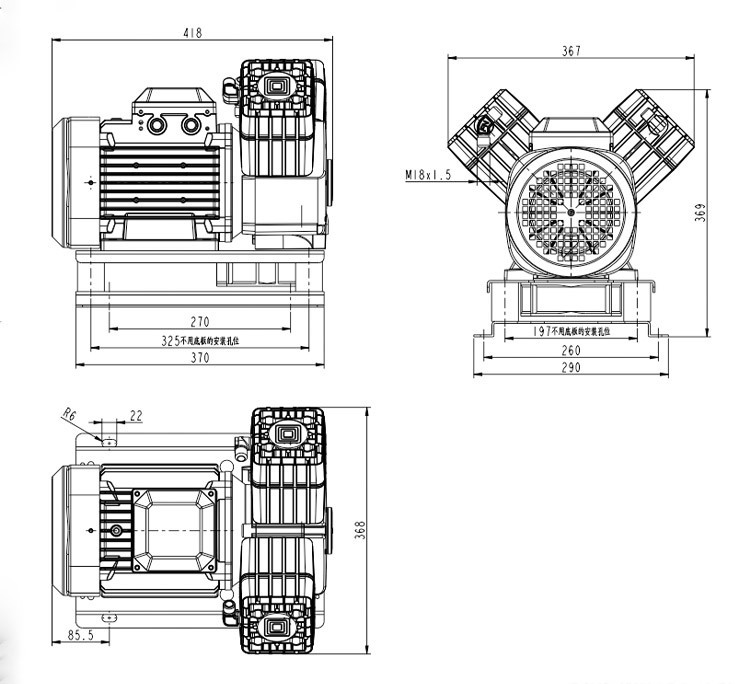
| 安装尺寸 | 260*370MM |
| 外形尺寸 | 418*368*369MM |
| 装箱尺寸 | 530*390*430MM |
| 进排气规格 | G3/4 |
| 净重/毛重 | 35KG/40KG |